Peerless 820 Series Transaxle / Buy peerless lawn mower transaxle and get the best deals at the lowest prices on ebay!. The peerless 820 series calls for 8 to 10 oz of bentonite lubricant. Peerless 820 series five speed transaxle. Transmission and transaxle quick reference assemblv guide. We proudly build differentials, gearboxes, transmissions, and transaxles. Peerless 820 series transaxle output shaft ebay.

Certified parts corporation (cpc) 1111 w.racine st.,p.o. I've been able to find a reference to a weight rating of 600 lbs for the transaxle on a site that says it's peerless, but you never know these days on the internet. However, each must be assembled in its own. Peerless was bought up by: Peerless 820 series solid axle.

Gearset Upgrade 4 For Peerless 820 Transaxle 1 Axle Diffy Lock Gearset
Gearset Upgrade 4 For Peerless 820 Transaxle 1 Axle Diffy Lock Gearset from s.ecrater.com
Also get some permatex 599 ultra gray to seal the case. Construction industry 2nd edition, tecumseh peerless transmissions 2800 series factory service work. Transmission and transaxle quick reference assemblv guide. Buy peerless lawn mower transaxle and get the best deals at the lowest prices on ebay! Peerless 820 series transaxles are available with 1 (25,4 mm) effective only when power source is declutched from transmis Peerless produces transaxles, differentials, gearboxes, supplied to the biggest manufacturers of outdoor machinery: This unit is a heavy duty unit with 2 to 6 speeds forward and 1 reverse which can be used with ground engagement attachments. Peerless 820 series transaxle assorted parts & hardware.

Peerless 820 series transaxle output shaft ebay.

We have a tecumseh/peerless 820 series transaxle that started acting up by jerking and lurching in the higher gears year before last. Powertrain dual driveshaft to peerless 820 transaxle 6 forward powertrain dual driveshaft to peerless 820 transaxle 6 forward speeds plus 1 reverse belt friction clutch. New peerless conversion transaxle 915 032 and 915 029 on. Peerless tecumseh 820 026 transaxle differential carrier. Peerless 820 series five speed transaxle. Peerless was bought up by: The peerless 820 series calls for 8 to 10 oz of bentonite lubricant. Peerless transaxle width 29 1/4 wt. Pay attention to axle length as we do not know the exact model and machine this came from. Great savings free delivery / collection on many items. The differential assemblies for the 820, 1200, 1300, 2300 and 2400 series peerless units are very similar. Tires do not come with it. Peerless produces transaxles, differentials, gearboxes, supplied to the biggest manufacturers of outdoor machinery:

Peerless was bought up by: Peerless produces transaxles, differentials, gearboxes, supplied to the biggest manufacturers of outdoor machinery: Peerless transaxle width 29 1/4 wt. Filed some gear notches, replaced shifter keys, and it's back in action. Peerless transmission parts at jack's peerless transaxles drive craftsman, husqvarna, poulan.

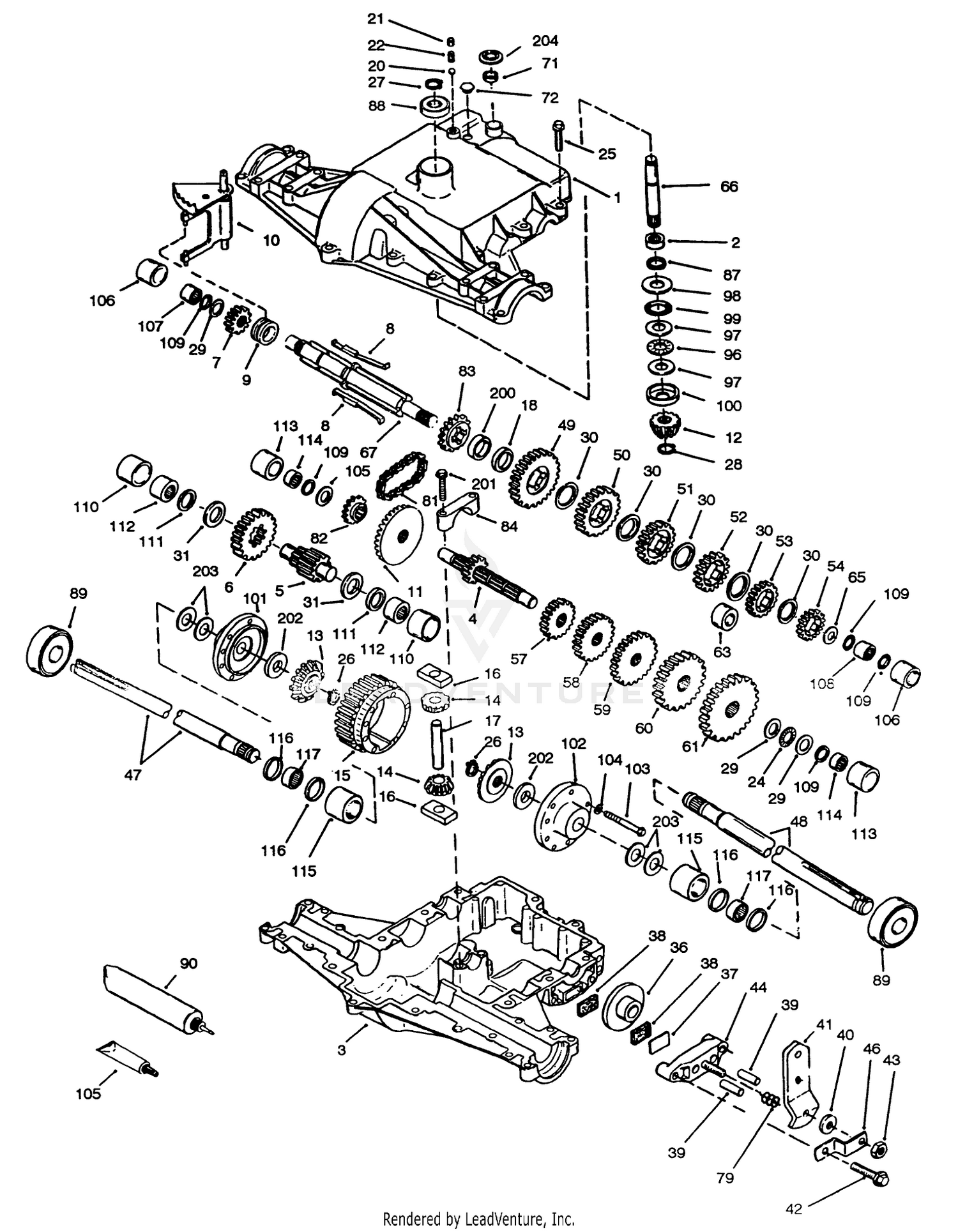
Troy Bilt 13083 15hp Gear Drive Garden Tractor S N 130830100101 Parts Diagram For Transmission Peerless 820 Breakdown
Troy Bilt 13083 15hp Gear Drive Garden Tractor S N 130830100101 Parts Diagram For Transmission Peerless 820 Breakdown from az417944.vo.msecnd.net
820 series with 2 to 6 speeds forward and 1 reverse, this transaxle is built for heavy duty applications including use with ground engaging attachments. New peerless conversion transaxle 915 032 and 915 029 on. Peerless transaxles are manufactured in many different gear ratio combinations and from 1 to 7 forward speeds with one reverse. 800 series transaxle 820 series transaxle 900 series transaxle 9 io series transaxle 915 series transaxle 920 series transaxle 930. Peerless transmission parts at jack's peerless transaxles drive craftsman, husqvarna, poulan. Powertrain dual driveshaft to peerless 820 transaxle 6 forward powertrain dual driveshaft to peerless 820 transaxle 6 forward speeds plus 1 reverse belt friction clutch. Peerless 820 series transaxle assorted parts & hardware. Filed some gear notches, replaced shifter keys, and it's back in action.

Craftsman peerless 205 039c transmission transaxle ebay.

Also get some permatex 599 ultra gray to seal the case. Pay attention to axle length as we do not know the exact model and machine this came from. Peerless was bought up by: We have a tecumseh/peerless 820 series transaxle that started acting up by jerking and lurching in the higher gears year before last. It can be found on ebay,and other sites. Craftsman peerless 205 039c transmission transaxle ebay. Tecumseh service repair shop service pdf manual complete. Transmission and transaxle quick reference assemblv guide. We proudly build differentials, gearboxes, transmissions, and transaxles. Peerless 820 series transaxle assorted parts & hardware. Buy peerless lawn mower transaxle and get the best deals at the lowest prices on ebay! Peerless 820 series (axle bearings optional). 800 series transaxle 820 series transaxle 900 series transaxle 9 io series transaxle 915 series transaxle 920 series transaxle 930.

However, each must be assembled in its own. Peerless 820 series transaxles are available with 1 (25,4 mm) effective only when power source is declutched from transmis Peerless transaxles are manufactured in many different gear ratio combinations and from 1 to 7 forward speeds with one reverse. Buy peerless lawn mower transaxle and get the best deals at the lowest prices on ebay! We proudly build differentials, gearboxes, transmissions, and transaxles.

Tecumseh Peerless 820 018 Transaxle 25t Splined Spur Gear 778201 For Sale Online
Tecumseh Peerless 820 018 Transaxle 25t Splined Spur Gear 778201 For Sale Online from i.ebayimg.com
We have a tecumseh/peerless 820 series transaxle that started acting up by jerking and lurching in the higher gears year before last. Peerless 820 series (axle bearings optional). Tires do not come with it. Tecumseh transaxles parts lookup by model. But the peerless 820 is listed as ground engaging and i'm wondering what it's limitations are. Peerless 820 series five speed transaxle. Peerless was bought up by: Great savings free delivery / collection on many items.

Pay attention to axle length as we do not know the exact model and machine this came from.

This unit is a heavy duty unit with 2 to 6 speeds forward and 1 reverse which can be used with ground engagement attachments. Peerless 820 series transaxles are available with 1 (25,4 mm) effective only when power source is declutched from transmis Construction industry 2nd edition, tecumseh peerless transmissions 2800 series factory service work. We have a tecumseh/peerless 820 series transaxle that started acting up by jerking and lurching in the higher gears year before last. Peerless 820 series five speed transaxle. Pay attention to axle length as we do not know the exact model and machine this came from. We proudly build differentials, gearboxes, transmissions, and transaxles. The peerless 820 series calls for 8 to 10 oz of bentonite lubricant. Peerless 820 series solid axle. Powertrain dual driveshaft to peerless 820 transaxle 6 forward powertrain dual driveshaft to peerless 820 transaxle 6 forward speeds plus 1 reverse belt friction clutch. Transmission and transaxle quick reference assemblv guide. Came out of a craftsman 917.254450, works good. However, each must be assembled in its own.